×
提示信息:
确认
欢迎来到红宝电子!
0531-8228 6666

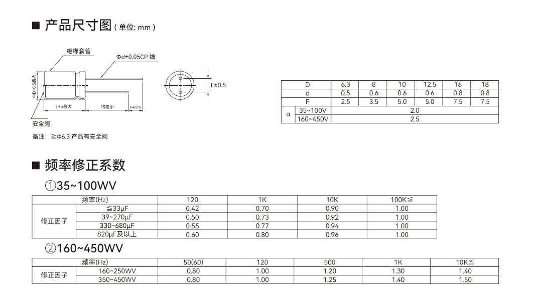
LKX-永铭液态小型铝电解电容

品牌:永铭

型号:LKX

系列:LKX系列

工作温度范围:-55℃~+105℃

应用领域:电源专用品

产品详情


笔形 卧置式安装 φ6.3~φ18耐高频大纹波电流 电源专用品
105℃环境下7000~12000小时
符合AEC-Q200 RoHS指令对应


image.png

上一篇:LLK 下一篇:LKL
×
预约上门
请拨打销售热线 0531-8228 6666,或让我们联系您!
联系人:
*
电话:
*
留言内容: