×
提示信息:
确认
欢迎来到红宝电子!
首页
关于我们
公司介绍
代理品牌
合作伙伴
新闻资讯
公司新闻
行业新闻
产品中心
贴片电容
贴片钽电容
高压瓷片电容
薄膜电容
铝电解电容
超级电容
压敏电阻
热敏电阻
气体放电管
保险丝
磁芯材料
电感/磁珠
贴片电容
贴片钽电容
高压瓷片电容
薄膜电容
铝电解电容
超级电容
压敏电阻
热敏电阻
气体放电管
保险丝
磁芯材料
电感/磁珠
电流传感器
散热风机
晶振
贴片电阻
继电器
LED发光器件
LCD液晶屏
半导体器件
微型开关
精密连接器
联系我们
联系方式
人力资源
集团公司
红宝电子
红宝电气
红宝自动化
中文
EN
0531-8228 6666
网站首页
关于我们
新闻资讯
产品中心
联系我们
中文
EN
贴片电容
贴片钽电容
高压瓷片电容
薄膜电容
铝电解电容
超级电容
压敏电阻
热敏电阻
气体放电管
保险丝
磁芯材料
电感/磁珠
电流传感器
散热风机
晶振
贴片电阻
继电器
LED发光器件
LCD液晶屏
半导体器件
微型开关
精密连接器
General Purpose
贴片电容
贴片钽电容
高压瓷片电容
薄膜电容
铝电解电容
超级电容
压敏电阻
热敏电阻
气体放电管
保险丝
当前位置:
主页
>
中文版
>
产品中心
>
铝电解电容
>
艾华铝电解电容
>
艾华牛角型电容
>
General Purpose
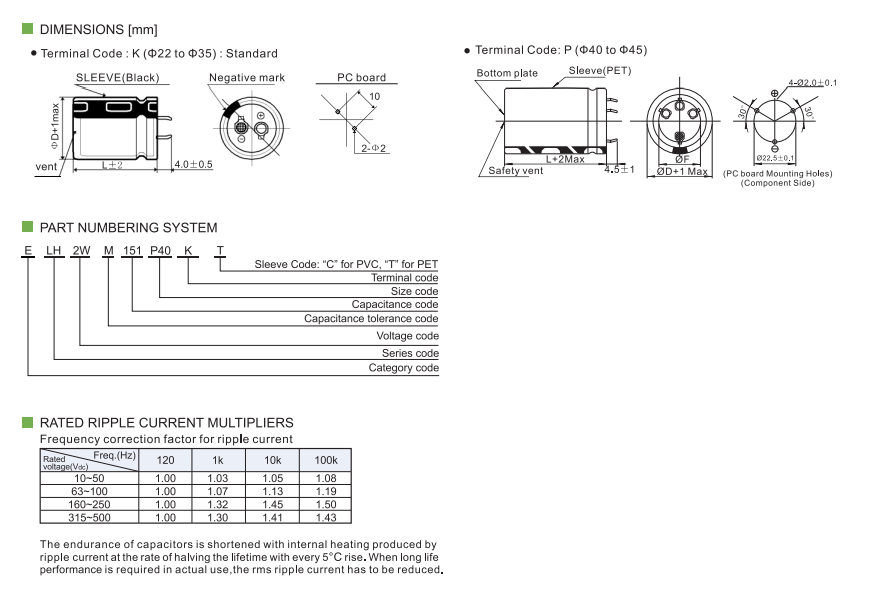
LH-艾华牛角型铝电解电容
品牌:艾华
型号:LH
系列:LH
工作温度范围:-40℃~+105℃
应用领域:适用于一般用途
我要购买
产品详情
上一篇:
LK
下一篇:
LC
QQ咨询
在线咨询
官方微信
联系电话
座机
0531-8228 6666
手机
+86-0531-8228 6666
预约上门
返回顶部
×
预约上门
请拨打销售热线
0531-8228 6666
,或让我们联系您!
联系人:
*
电话:
*
留言内容: